Product Information »
WEB Catalog
» Rotary Actuators/Air Grippers
» Air Gripper Unit for Collaborative Robots
WEB Catalog
Product List
- Air Management System
-
Directional Control Valves
- Pilot Operated 4/5 Port Solenoid Valves
- Pilot Operated 3 Port Solenoid Valves
- Direct Operated 3/4/5 Port Solenoid Valves
- Reduced-wiring Fieldbus System (Serial Transmission System)
- Wireless System
- Air Operated Valves
- Mechanical Valves/Transmitters
- Finger Valve/Hand Valves/Residual Relief 3 Port Valve
- Blow Guns
- Power Valves
- ISO Valves
- Explosion-Proof Valves
- Pilot Operated 4/5 Port Solenoid Valves
-
Air Cylinders
- Standard Air Cylinders (Round Type)
- Standard Air Cylinders (Square Cover)
- Compact Air Cylinders
- Environment Resistant Cylinders
- Floating Joints/Rod End
- Air-hydro Units
- Mechanically Jointed Rodless Cylinders
- Magnetically Coupled Rodless Cylinders
- Table Cylinders
- Guide Cylinders
- Dual Rod Cylinders
- Lock Cylinders/Cylinder with An End Lock
- Fine Lock Cylinders
- Specialty Cylinders
- Clamp Cylinders
- Pin Shift Cylinder
- Stopper Cylinders
- Stroke Reading Cylinders
- Valve Mounted Air Cylinders
- ISO Cylinders: ISO Standards (6432)
- ISO Cylinders: ISO Standards (15552)
- ISO Cylinders: ISO Standards (21287)
- ISO Cylinders
- Shock Absorbers
- Auto Switches
- Wireless Auto Switches
- Actuator Position Sensor
- Flow Control Equipment
- Standard Air Cylinders (Round Type)
- Rotary Actuators/Air Grippers
-
Electric Actuators/Cylinders
- e-Actuator
- Manifold Controller/Manifold Controller Compatible Electric Actuator
- Battery-less Absolute Encoder Type
- Slider Type
- Rod Type/Guide Rod Type
- Slide Tables
- Miniature
- Rotary Tables
- Grippers
- Grippers for Collaborative Robots
- Controllers/Drivers
- Teaching Box
- Environment
- Motorless Type
- Mounting Kit for Multi-Axis System
- Electric Cylinders
- Card Motor
- Made to Order
- e-Actuator
-
Vacuum Equipment (Vacuum Generators/Vacuum Suction Cups/Other)
- Vacuum Ejectors (Vacuum Generators)/Vacuum Pump Systems
- Vacuum Ejectors
- Vacuum Gripper System (Foam Type)
- Vacuum Release Valve Units
- Air Suction Filters
- Vacuum Pads (Vacuum Suction Cups)
- Special Pads
- Gripper for Collaborative Robots
- Vacuum Saving Valves
- Magnet Buffer
- Vacuum Flow
- Vacuum Regulators
- Related Equipment for Vacuum Systems
- Vacuum Ejectors (Vacuum Generators)/Vacuum Pump Systems
- Grippers for Collaborative Robots
- Compact Compressor
- Air Preparation Equipment
- Modular F.R.L./Pressure Control Equipment
- Modular F.R.L. Units
- Pressure Control Equipment
- Booster Regulators
- Lubrication Equipment
- Gas Generator
- Fittings and Tubing
-
Flow Control Equipment
- Speed Controllers for General Purposes
- Speed Controllers for Low Speed Control
- Speed Controllers Special Environments
- Speed Controllers with Special Functions
- Tool Operation Type Speed Controllers
- Air Saving Speed Controllers Air Saving Valves
- Remote control valve (Electric speed controller)
- Related Equipment
- Speed Controllers for General Purposes
- Silencers/Exhaust Cleaners/Pressure Gauges
- Air Blowing Equipment
-
Switches/Sensors/Controller
- Electronic Pressure Switches/Sensors (Self-contained Type)
- Electronic Pressure Switches/Sensors (Remote Type)
- Mechanical Pressure Switches
- Electronic Flow Switches/Sensors
- Clamp-on Type Flow Sensor
- Mechanical Flow Switches
- Air Management System
- Controllers
- Electronic Temperature & Humidity Switches
- Auto Switches for Air Cylinders
- Auto Switches for Rotary Actuators and Air Grippers
- Position Sensor
- Electronic Pressure Switches/Sensors (Self-contained Type)
-
Static Neutralization Equipment
- Static Neutralization Equipment Ionizer Bar Type
- Static Neutralization Equipment Nozzle Type Ionizer
- Static Neutralization Equipment Fan Type Ionizer
- Static Neutralization Equipment Ionizer Gun
- Static Neutralization Equipment Desktop Duster Box
- Static Neutralization Equipment Electrostatic Sensor/Sensor Monitor/Meter
- Static Neutralization Equipment/Ionizers
- Static Neutralization Equipment Ionizer Bar Type
-
Industrial Device Communication Equipment/Wireless System
- Wireless System: PROFINET Compatible Products
- Wireless System: EtherNet/IP Compatible Products
- Wireless System: EtherCAT Compatible Products
- Wireless System: IO-Link Compatible Products
- Wireless System: CC-Link Compatible Products
- Wireless System: DeviceNet Compatible Products
- Industrial Device Communication Equipment: PROFINET Compatible Products
- Industrial Device Communication Equipment: EtherNet/IP Compatible Products
- Industrial Device Communication Equipment: EtherCAT Compatible Products
- Industrial Device Communication Equipment: Modbus TCP Compatible Products
- Industrial Device Communication Equipment: ETHERNET POWERLINK Compatible Products
- Industrial Device Communication Equipment: CC-Link IE Field Compatible Products
- Industrial Device Communication Equipment: SSCNET III Compatible Products
- Industrial Device Communication Equipment: MECHATROLINK-Ⅲ Compatible Products
- Industrial Device Communication Equipment: PROFIsafe Compatible Products
- Industrial Device Communication CIP Safety Compatible Products
- Industrial Device Communication Equipment: IO-Link Compatible Products
- Industrial Device Communication Equipment: PROFIBUS Compatible Products
- Industrial Device Communication Equipment: DeviceNet Compatible Products
- Industrial Device Communication Equipment: CC-Link Compatible Products
- Industrial Device Communication Equipment: AS-interface Compatible Products
- Industrial Device Communication Equipment: CompoNet Compatible Products
- Industrial Device Communication Equipment: Interbus Compatible Products
- Industrial Device Communication Equipment: MECHATROLINK-Ⅱ Compatible Products
- Other: RS232C Compatible Products
- Other: RS485 Compatible Products
- Wireless System: PROFINET Compatible Products
- Process Valves
- Chemical Liquid Valves/Fittings & Needle Valves/Tubing
- Process Pumps(Diaphragm Pumps)
-
Temperature Control Equipment
- Thermo-Chillers (Circulating Fluid Temperature Controllers) Standard Type/Basic Type
- Thermo-Chillers (Circulating Fluid Temperature Controllers) Inverter Type
- Thermo-Chillers (Circulating Fluid Temperature Controllers) Dual Channel Thermo chiller for Lasers
- Thermo-Chillers (Circulating Fluid Temperature Controllers) Rack Mount Type
- Thermo-Chillers (Circulating Fluid Temperature Controllers) High performance/Type & Inverter Type
- Chiller Compliant Regulations
- Thermo-cons/Thermoelectric Baths (Peltier-Type Temperature Control Equipment)
- Air Temperature Controllers
- Thermo-Chillers (Circulating Fluid Temperature Controllers) Standard Type/Basic Type
- Process Gas Equipment AP Tech
- High Vacuum Equipment
- Industrial Filters/Sintered Metal Elements
- Pneumatic Instrumentation Equipment
- Hydraulic Equipment
Theme
-
Clean Series/Low-Particle Generation
- Directional Control Valves
- Air Cylinders
- Rotary Actuators
- Air Grippers
- Air Dryers
- Compressed Air Cleaning Filter Series
- Clean Gas Filters/Air Filters
- Exhaust Cleaner for Clean Room/Clean Exhaust Filter
- Modular F.R./Pressure Control Equipment
- Fittings
- Tubing
- Flow Control Equipment
- Switches/Sensors
- Flow Switch
- Electric Actuators
- Directional Control Valves
- Fluoropolymer Equipment/PVC Equipment
-
Series Compatible with Secondary Batteries Series 25A-
- Air Management System
- Directional Control Valves
- Wireless System
- Actuators
- Related Products
- Rotary Actuators/Air Grippers
- Vacuum Equipment
- Air Preparation Equipment/Clean Air Filters
- ModularF.R.L./Pressure Control Equipment
- Flow Control Equipment/Fittings
- Tubings
- Detection Switches/Auto Switches
- Static Neutralization Equipment/Ionizers
- Process Valves
- Process Gas Equipment
- Electric Actuators
- Air Management System
- Copper, Fluorine-free Equipment Series 20-
- ISO Products
- Arc Welding Process Equipment
- IO-Link Compatible Products
- Grease-free Nitrogen (N2) Compatible Equipment
- List of ATEX Compliant Products
- Explosion-Proof Valves Certified Products
- Equipment for the Food Manufacturing Industry
- Equipment for the Semiconductor Industries
-
Equipment for the Semiconductor Industries (Temperature Adjustment Line)
- Thermo-Chillers (Circulating Fluid Temperature Controllers) Standard Type/Basic Type
- Thermo-Chillers (Circulating Fluid Temperature Controllers) Inverter Type
- Thermo-Chillers (Circulating Fluid Temperature Controllers) Rack Mount Type
- Thermo-Chillers (Circulating Fluid Temperature Controllers) High performance/Type & Inverter Type
- Chiller Compliant Regulations
- Thermo-cons/Thermoelectric Baths (Peltier-Type Temperature Control Equipment)
- Thermo-Chillers (Circulating Fluid Temperature Controllers) Standard Type/Basic Type
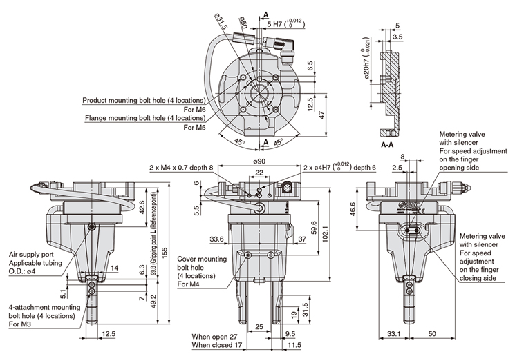
Air Gripper Unit for Collaborative Robots
Air Gripper Unit for Collaborative Robots JMHZ2-X7400B-ASSISTA
for the Mitsubishi Electric Corporation MELFA ASSISTA Series
-
・Compact, lightweight product with high gripping force due to air operation
・High rigidity and high precision due to its guide-integrated construction
Repeatability: ±0.01 mm due to the adoption of a high-precision linear guide
Higher rigidity due to the adoption of a linear guide of the higher rigidity and precision
・Operate by simply connecting 1 air supply tube and an electrical wiring M12 connector.
・Integrated solenoid valve, speed adjustment mechanism, and auto switch
・A split protective cover for easy air gripper maintenance
・Standards: ISO 9409-1-31.5-4-M5
Air Gripper Unit for Collaborative Robots JMHZ2-X7400B-ASSISTA
for the Mitsubishi Electric Corporation MELFA ASSISTA SeriesManual
Type Series View search result For Collaborative Robots JMHZ2-16D-X7400B-ASSISTA View search result
| Type | Series | Cylinder bore size (mm) |
|---|---|---|
| For Collaborative Robots | JMHZ2-16D-X7400B-ASSISTA | 16 |
Features
Air Gripper Unit for Collaborative Robots
Compact, lightweight product with high gripping force due to air operation
High rigidity and high precision due to its guide-integrated construction
Repeatability: ±0.01 mm due to the adoption of a high-precision linear guide
Higher rigidity due to the adoption of a linear guide of the higher rigidity and precision (Compared with the same size of the existing MHZ2)
Operate by simply connecting 1 air supply tube and an electrical wiring M12 connector.
Integrated solenoid valve, speed adjustment mechanism, and auto switch
A split protective cover for easy air gripper maintenance
Allows you to maintain the air gripper without removing the user-specific attachment
Component Parts
Characteristics
Dimensions


