Static Neutralization Equipment
» Electrostatic Sensor Series IZD10/IZE11 - Specifications/Dimensions

|Electrostatic Sensor / Series IZD10
Specifications
| Model | IZD10-110 | IZD10-510 |
|---|---|---|
| Potential measurement | ±0.4 kV (at detection distance: 25 mm) Note) | ±20 kV (at detection distance: 50 mm) Note) |
| Output voltage | 1 to 5 V (Output impedance: Approx. 100 Ω) | |
| Effective detection distance | 10 to 50 mm | 25 to 75 mm |
| Linearity | ±5% F.S. (0 to 50°C, at detection distance: 25 mm) | ±5% F.S. (0 to 50°C, at detection distance: 50 mm) |
| Output delay time | 100 ms or less | |
| Power supply voltage | 24 VDC ±10% | |
| Current consumption | 40 mA or less | |
| Operating ambient temperature | 0 to 50℃ | |
| Operating ambient humidity | 35 to 85% Rh (with no condensation) | |
| Material | Head case : ABS Amplifier case : ABS | |
| Vibration resistance | Durability 50 Hz Amplitude 1 mm X, Y, Z each 2 hours | |
| Shock resistance | 100m/s2 | |
| Weight | 185 g (including cable weight) | |
| Compliance with EN standards |
Protective class : Class III (EN60950-1) Pollution Degree 3 CE marking : Low voltage directive : 2006/95/EC Only when connected to a SELV-type external circuit. |
|
| EMC directive | 2004/108/EC | |
| UL standards | UL508 | |
Note) The relationship between the measured potential and the output voltage varies depending on the detection distance. For details on the relationship in the detection distance between the measured potential and the output voltage, refer to the graph in "Technical Data - Output Signal".
Dimensions
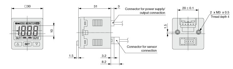
|Electrostatic Sensor Monitor / Series IZE11
Specifications
| Model | IZE11□ | |||
|---|---|---|---|---|
| Connection sensor | IZD10-110 | IZD10-510 | ||
| Rated measurement range | -0.4 kV to +0.4 kV Note 1) | -20 kV to +20 kV Note 2) | ||
| Min. unit setting | 0.001kV | 0.1kV | ||
| Measurement distance setting | 10 to 50 mm | 25 to 75 mm | ||
| Power supply voltage | 24 VDC ±10% or less (with power supply polarity protection) | |||
| Current consumption | 50 mA or less (excluding sensor unit’s current consumption) | |||
| Sensor input | 1 to 5 VDC (Input impedance: 1 MΩ) | |||
| Number of inputs | 1 input | |||
| Input protection | With excess voltage protection (up to 26.4 V) | |||
| Hysteresis | Hysteresis mode: Variable Window comparator mode: Variable |
|||
| Switch output | NPN or PNP open collector: 2 outputs | |||
| Max. load current | 80mA | |||
| Max. applied voltage | 30 VDC (with NPN output) | |||
| Residual voltage | 1 V or less (with load current of 80 mA) | |||
| Short circuit protection | With short circuit protection | |||
| Response time (including sensor response time) |
100 ms or less Response time with anti-chattering function: 500 ms, 1 s, 2 s or less |
|||
| Analog output | Voltage output | Output voltage: 1 to 5 V (with rated pressure range), Output impedance: Approx. 1 kΩ | ||
| Accuracy (for readings) (25°C) | ±1%F.S. | |||
| Current output | Output current: 4 to 20 mA (with rated pressure range) Max. load impedance: 600 Ω (at 24 VDC), Min. load impedance: 50 Ω |
|||
| Accuracy (for readings) (25°C) | ±1%F.S. | |||
| Response time (including sensor response time) |
200 ms (without filter), 1.5 s (with filter) or less | |||
| Display acurracy | ±0.5%F.S.±1digit | |||
| Display | 3 + 1/2 digit, 7-segment indicator, 2-color display (Red/Green) Sampling cycle: 5 times/s | |||
| Indicator light | OUT1: Lights up when output is turned ON (Green), OUT2: Lights up when output is turned ON (Red). | |||
| Environment | Enclosure | IP40 | ||
| Operating temperature range | Operating: 0 to 50°C, Stored: –10 to 60°C (with no freezing or condensation) | |||
| Operating humidity range | Operating/Stored: 35 to 85% RH (with no condensation) | |||
| Withstand voltage | 1000 VAC for 1 minute between terminals and housing | |||
| Insulation resistance | 50 MΩ or more (500 VDC measured via megohmmeter) between terminals and housing | |||
| Vibration resistance | 10 to 150 Hz at whichever is smaller of 1.5 mm amplitude or 98 m/s2 acceleration, in X, Y, Z direction for 2 hrs. each (De-energized) |
|||
| Impact resistance | 100 m/s2 in X, Y, Z directions 3 times each (De-energized) | |||
| Temperature characteristics | ±0.5% F.S. (25°C reference) | |||
| Connection method | Power supply, Output connection: 5-pin connector, Sensor connection: 4-pin connector | |||
| Material | Front case: PBT, Rear case: PBT | |||
| Weight | (excluding power supply/output connection cable) | 30g | ||
| Standards | CE marking, UL (CSA) compliant | |||
Note 1) Rated value when the distance between the charged object and the sensor is 25 mm
Note 2) Rated value when the distance between the charged object and the sensor is 50 mm
Dimensions



















