イオナイザ(イオナイザー)静電気対策機器 » ファンタイプ/イオナイザIZF10シリーズ - 仕様・外形寸法図

|仕様
型式 | IZF21-□ NPN |
IZF21-P PNP |
IZF31-□ NPN |
IZF31-P PNP |
|
---|---|---|---|---|---|
最大風量 | 1.8m3/min | 4.4m3/min | |||
イオン発生方式 | コロナ放電式 | ||||
オフセット電圧(イオンバランス)注) | ±5V | ||||
電源電圧 | DC24V±10% | ||||
消費電流 | 0.9A以下 | 1.3A以下 | |||
使用周囲温度 | 使用時:0~50℃ 保存時:-10~60℃ | ||||
使用周囲湿度 | 使用時、保存時:35~80%Rh(結露なきこと) | ||||
質量 | 本体 | 430g(ブラケット付576g) | 605g(ブラケット付825g) | ||
ブラケット | 146g | 220g |
注) ANSI/ESD-STM3.1-2006規格準拠
型式 | IZF10-□□ | IZF10-L-□□ | IZF10R-□□ | IZF10-P-□□ | ZF10-LP-□□ | ZF10R-P-□□ |
---|---|---|---|---|---|---|
最大風量 | 0.66m3/min | 0.46m3/min | 0.80m3/min(最大) | 0.66m3/min | 0.46m3/min | 0.80m3/min(最大) |
イオン発生方式 | コロナ放電方式 | |||||
オフセット電圧 (イオンバランス)注) |
±13V以内 | |||||
電源電圧 | DC24V ±10% | |||||
消費電流 | 220mA以下 | 140mA以下 | 270mA以下 | 250mA以下 | 170mA以下 | 270mA以下 |
スイッチ出力 | NPNオープンコレクタ出力 |
NPNオープンコレクタ出力
(負荷電流150mA時) 最大印加電圧:DC26.4V |
PNPオープンコレクタ出力 | PNPオープンコレクタ出力 | ||
周囲温度 | 使用時:0〜50℃、保存時:−10〜60℃ | |||||
周囲湿度 | 使用時、保存時:35〜80%RH(結露なきこと) | |||||
質量 | 280g(ブラケット付360g) | 260g(ブラケット付340g) | 280g(ブラケット付360g) | 260g(ブラケット付340g) |
注) ANSI/ESD-STM3.1-2006規格準拠
|設置距離と減衰時間(1000V→100V の減衰時間)

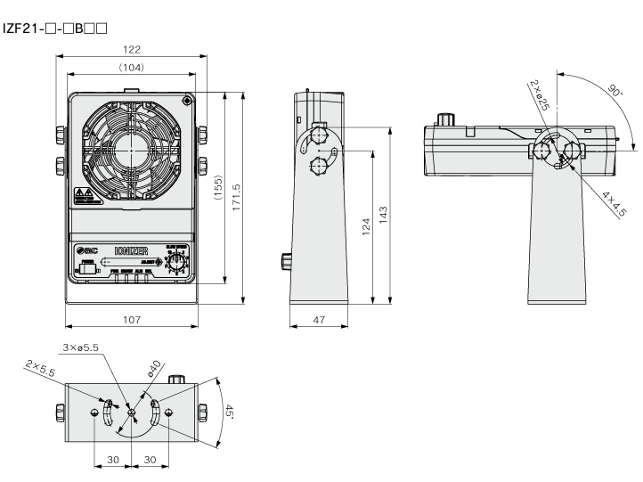
|外形寸法図



